不銹鋼旋振篩介紹
不銹鋼旋振篩主要針對的是不銹鋼材質:304/316不銹鋼材質,均屬于食品材質。主要特點就是耐酸堿,耐腐蝕易清洗。同時能夠實現多層篩分,同時可篩分出2-6種不同等級的物料。不銹鋼旋振篩主要針對的行業由:食品,醫藥,化工行業等。

304或316L不銹鋼旋振篩對比

304不銹鋼:可耐800℃高溫,具有耐腐蝕、易加工、韌性好等特點。當對耐腐蝕性能要求不高時,可選304不銹鋼,因為相比316不銹鋼,304不銹鋼價格較低。
316L不銹鋼:同系列材質含碳量更低的材料,與304相比,316L不銹鋼的抗化學腐蝕性能更強,且比其他鋼種更抗高溫蠕變、應力斷裂和抗拉強度,當應用場景對腐蝕、耐熱性能有較高要求時,316不銹鋼更好。
| 304和316L不銹鋼材質對比 | ||||
| 序號對比項 | 對比項 | 304 | 316L | 備注 |
| 1 | 價格 | 低 | 高 | 304不銹鋼性能優、單價低,使用更為廣泛 |
| 2 | 鉬含量% | 0 | 2-3 | Mo含量越高,耐蝕、耐熱性能越好 |
| 3 | 鎳含量% | 8-10.5 | 10-14 | Ni含量越高,耐蝕、耐熱性能越好 |
| 4(m³/h) | 碳含量% | <0.08 | 0.03 | c含量越高,硬庶城② c含量越低,焊接性能越好 |
| 區別 | 316L不銹鋼振動篩質量好,價格也相對高一些,316L價格比304L價格每公斤貴15左右。 | |||
不銹鋼旋振篩視頻
將肥料投入不銹鋼旋振篩篩箱內,通過振動電機的振動,實現物料在篩網上的運動,加快肥料的透網速度,實現物料快速篩分目的。
不銹鋼旋振篩工作原理

不銹鋼旋振篩的主要工作動力,來自底部的直立式振動篩,振動電機上,下兩端裝有偏心塊,主要用于增加整體振動篩的振動幅度。將物料從進料口送入篩體內,物料與篩框將會伴隨這振動電機的振動,從而實現物料在篩網上的篩分目的。
不銹鋼旋振篩特點
不銹鋼旋振篩作為一種高速、耐用的篩分設備,以優異的耐腐蝕性和衛生易清潔特點著稱,適用于化工、食品、醫藥、礦業等行業。其振動篩分原理確保高速篩分,同時具備穩定運行、低噪音、定制規格等優勢,成為各行業篩分和分選工作中不可或缺的重要設備。
篩分精度高,篩分種類多

不銹鋼旋振篩可針對500目以內的粉狀及顆粒狀物料篩分,同時能夠過濾漿液內至5微米的雜質。
清網效果好

產品采用的是硅膠材質的彈跳球,該配件彈跳性能好,彈力大。在不銹鋼旋振篩振動的過程中能夠隨著篩網進行振動,從而完成篩網的清網目的。
產品支持定制

為了滿足不同用戶不同行業的選型與使用需求,大漢廠家支持根據用戶使用場景,配套設備進行定制例如:料斗式,閘門式,移動式,加緣式以及加高式不同結構的不銹鋼旋振篩。

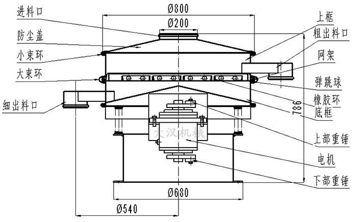
不銹鋼旋振篩結構
不銹鋼振動篩有防塵蓋、進料口、出料口、束環、不銹鋼篩網、配重塊、上部重錘、振動體、振動電機、彈簧、底座等部分組成。

不銹鋼旋振篩技術參數
| 型 號 | DH-600 | DH-800 | DH-1000 | DH-1200 | DH-1500 | DH-1800 | DH-2000 |
| 直徑mm | Φ600 | Φ800 | Φ1000 | Φ1200 | Φ1500 | Φ1800 | Φ2000 |
| 篩網面積m | 0.24 | 0.45 | 0.67 | 1.0 | 1.6 | 2.43 | 3.01 |
| 篩網規格(目) | 2-500 | 2-500 | 2-500 | 2-500 | 2-500 | 2-500 | 2-500 |
| 進料粒度mm | <Φ10 | <Φ15 | <Φ20 | <Φ30 | <Φ10 | <Φ15 | <Φ20 |
| 振次rpm | 1500 | 1500 | 1500 | 1500 | 1500 | 1500 | 1500 |
| 有效篩面直mm | Φ560 | Φ760 | Φ930 | Φ1130 | Φ1430 | Φ1760 | Φ1960 |
| 層數 | 1-5 | ||||||
| 功率Kw | 0.25 | 0.55 | 0.75 | 1.1 | 1.5 | 2.2 | 3 |
不銹鋼旋振篩型號選擇要點
1,產品層級

針對于很多用戶對于物料的篩分等級不同,所以對于產品篩框個數也有很大的差距例如:簡單的篩分除雜就比較適合單層不銹鋼旋振篩,若是希望篩出精細,粗料以及雜質就要選擇兩層篩框,因此大家需要根據物料所需要篩分等級進行選擇。
2,產品型號

很多用戶都是第一次選擇該產品,所以對于產量和處理量都不是很了解。所以產品型號的選擇也非常重要,例如:面粉的產量在500kg/h下就可以選擇DH400、DH600不銹鋼旋振篩。具體的篩分選擇大家可向客服進行咨詢。
不銹鋼旋振篩廠家

大漢不銹鋼旋振篩致力于提供高質量、高效率的篩分設備,滿足客戶在各行業的篩分需求。作為專業生產不銹鋼旋振篩的廠家,我們的不銹鋼旋振篩具有優異的耐腐蝕性和衛生易清潔特點,可在各種惡劣環境下穩定運行,確保產品質量和生產效率。
在制造過程中,我們選擇優質的不銹鋼材料,并采用精密的制造工藝,以確保產品的耐腐蝕性、高強度和耐磨性。我們的設備經過嚴格的質量控制和測試,以確保其穩定可靠的性能和長久的使用壽命。
為了滿足客戶的特定需求,我們提供多種型號和規格的不銹鋼旋振篩,以及相應的配套設備和組件。我們的工程師團隊能夠根據客戶的要求,提供定制化的解決方案,以滿足不同物料的篩分和分級需求。除了產品本身,我們還注重提供優質的售前咨詢和售后服務。我們的銷售團隊具備豐富的行業知識,能夠為客戶提供專業的建議和技術支持。我們還提供設備安裝調試、維修保養和零部件供應等全方位的售后服務,確保客戶的設備能夠保持良好的運行狀態。選擇我們,您將獲得優質的不銹鋼旋振篩產品和專業的售后服務,我們期待與您合作,共同發展!
廠家服務
大漢提供免費安裝調試,全年保修服務,還會定期安排技術人員上門檢查、維修,提供設備原裝配件,讓每一位合作伙伴買的放心,用的舒心。






